Hei jotain konkreettista vihdoin projektiin sain aikaiseksi. Vihdoin maanantaina tuli loputkin elementit Saksasta. Eikä kestänyt kuin melkein...
Sovite tehty muovisesta leikkuulaudasta. Täytin suuntaimen kolot liima- ja tiiviste massalla. Jyrsin 8mm paksusta leikkuulaudasta 116mm kiekon...
Juu testasin sinillä ja nyt kokeilin pikaisesti myös muuttaa taajuutta ylemmäksi. Pörinä ehkä hieman väheni, elmentti tuntui vatkaavan aikalailla...
TÄMÄ PROJEKTI KARKASI KÄSISTÄ;) Eli pitkän mietinnän ja pähkäilyn jälkeen päätin muutta suunnitelmat 2.5 tieksi. Kun kerran teen...
Mitattu 50 cm päästä n. 6ms ikkunalla johon on liitetty 200Hz alaspäin lähikenttävaste.
Testasin tuota nykyistä kajaria 40Hz sinillä, joka vastaa viritystaajuutta, ja aikamoista pörinää kuului portista volat kaakossa. Onko tuo...
Juu pitää vielä tutkia nuita virtauksia ja tilavuutta... Nykyisessä kaijuttimessa on 5cm portti, en ole muusiikilla ainakaan ylimääräistä...
Päätin sittenkin rakentaa uuden kotelon. Tuo vanhan modaus olisi hankalaa ja tilavuuskin on ehkä hieman liian iso. Näin myös rakentelun ajan ei...
Tuo basson sarjakela hoitaa baffle stepin ja sen arvoa muuttamalla baffle stepin määrää saa myös säädettyä. Kela alkaa vaimentamaan basson...
Muotoilin huonosti. Isommalla basson sarjakelalla L1 vaste alkaa vaimentua jo 200Hz ja kauittimen herkkyys jää 80dB tuntumaan 200Hz ylöspäin....
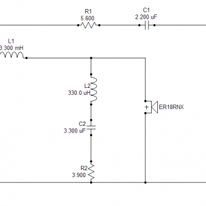
Simuloin tuota kartioresonanssin vaikutusta taajuusvasteeseen. [IMG] Kuvassa harmaa viiva on ilman tuota sarjaresonanssi piiriä (L2+C2+R2). Näin...
Seuraavan laista jakaria olen simuloinut: [IMG] Sähköinen jako on ensimmäistä asteta, joka tuottaa akustisesti suunnilleen 2. asteen LR...
Rakensi viime keväänä Troelsin suunnittelemat SEAS CA18/RLY/22TAF-G http://www.troelsgravesen.dk/SEAS_CA18RLY-COMPACT.htm kaiuttimet 24l...
Jaa mahdollisesti useammat käyttäjänimet pilkulla. ","